Steuerung für eine Abfüllanlage

Um Mitarbeitern bei der Verpackung von einer bestimmten Anzahl an Kleinteilen zu unterstützen sollte die Steuerung für eine von der Firma Miraplast GmbH konzipierte Abfüllanlage entwickelt werden.

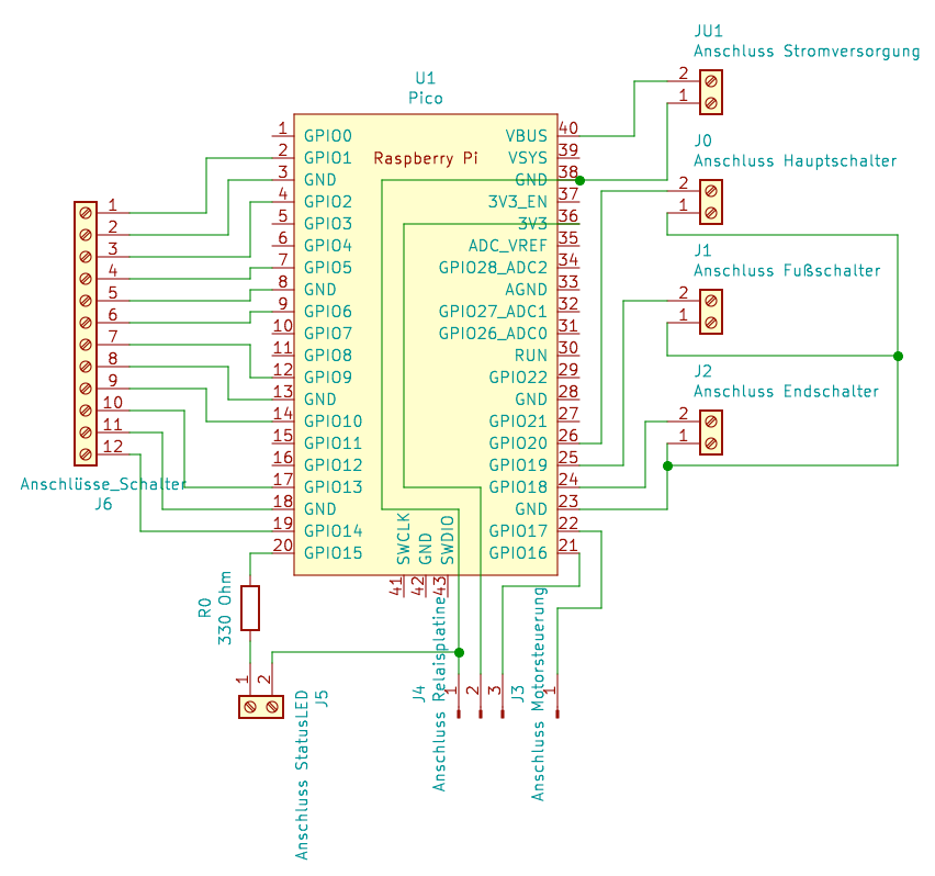
Die ursprüngliche Idee dies mittels eines Raspberry Pi 4 und dem Pimoroni Explorer HAT Pro zu entwickeln wurde auf Grund der Nichtverfügbarkeit der Erweiterungsplatine verworfen. Stattdessen wurde es mit einer eigens entwickelten Platine zur Zugänglichmachung von Ein- bzw. Ausgängen auf Basis eines Raspberry Pi Pico realisiert.

Das Blockschaltbild und Platinenlayout wurde mit KiCad (https://www.kicad.org, größtenteils unter der GPLv3 Lizenziert) erstellt, das auf dem Pico laufende Programm in MicroPython (https://micropython.org, größtenteils unter der MIT Lizenz) geschrieben.

SchaltplanPlatinenlayoutFoto Steuerung

Die Entwicklung erfolgte mit der Hardware und im Auftrag der Miraplast GmbH. Herzlichen Dank für die gute Zusammenarbeit an alle beteiligten Mitarbeiter und auch für die Genehmigung zur Veröffentlichung dieses Projekts!